Tê Inox SUS304 – Phụ kiện nối ống không thể thiếu trong hệ thống công nghiệp
1. Tê Inox SUS304 là gì?
Tê Inox SUS304 là phụ kiện đường ống dùng để chia dòng hoặc hợp lưu dòng chảy trong hệ thống đường ống công nghiệp. Với thiết kế hình chữ "T", sản phẩm cho phép kết nối ba đoạn ống lại với nhau tại một điểm, trong đó hai nhánh thường nằm thẳng hàng và một nhánh vuông góc.
2. Chất liệu inox SUS304 – Bền bỉ, chống ăn mòn vượt trội
Tê được làm từ inox SUS304 – loại thép không gỉ có hàm lượng Cr (Chromium) từ 18% và Ni (Niken) khoảng 8%, nổi bật với:
-
Khả năng chống ăn mòn, gỉ sét cao
-
Độ bền cơ học tốt, chịu áp lực và nhiệt độ cao
-
Dễ hàn, dễ gia công và lắp đặt
3. Ưu điểm nổi bật của tê inox SUS304
-
Độ bền cao, tuổi thọ lâu dài, giảm chi phí bảo trì
-
Không bị rỉ sét trong môi trường ẩm ướt, hóa chất nhẹ
-
Dễ dàng kết nối với các thiết bị và phụ kiện khác
-
Ứng dụng linh hoạt trong hệ thống cấp thoát nước, thực phẩm, hóa chất, dầu khí…
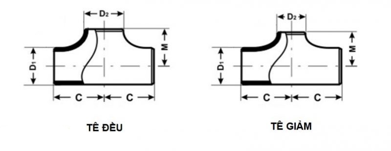
Thông số kỹ thuật của Tê hàn inox:
- Xuất xứ: Trung Quốc
- Vật liệu: Inox 304, 316
- Nhiệt độ: Từ 0 đến ~200 độ C
- Kiểu kết nối: Hàn đối đầu dáp mí
- Độ dày: SCH10, SCH40, Sch40 Đúc
- Kích thước: 1/2" - 16", DN15 - DN400

| QUY CÁCH TÊ ĐỀU | THÔNG SỐ D1 | THÔNG SỐ D2 | THÔNG SỐ C | THÔNG SỐ M | ||
| INCH | DN | mm | mm | mm | mm | mm |
| 1” | 25 x 25 | 34 x 34 | 33.4 | 33.4 | 38.1 | 38.1 |
| 1.1/4” x 1. 1/4” | 32 x 32 | 42 x 42 | 42.2 | 42.2 | 47.8 | 47.8 |
| 1.1/2” x 1. 1/2” | 40 x 40 | 49 x 49 | 48.3 | 48.3 | 57.2 | 57.2 |
| 2” x 2” | 50 x 50 | 60 x 60 | 60.3 | 60.3 | 63.5 | 63.5 |
| 2.1/2” x 2. 1/2” | 65 x 65 | 76 x 76 | 75.6 | 75.6 | 76.2 | 76.2 |
| 3” x 3” | 80 x 80 | 90 x 90 | 88.9 | 88.9 | 85.9 | 85.9 |
| 4” x 4” | 100 x 100 | 114 x 114 | 114.3 | 114.3 | 104.6 | 104.6 |
| 5” x 5” | 125 x 125 | 141 x 141 | 141.3 | 141.3 | 124.0 | 124.0 |
| 6” x 6” | 150 x 150 | 168 x 168 | 168.3 | 168.3 | 142.7 | 142.7 |
| 8” x 8” | 200 x 200 | 219 x 219 | 219.1 | 219.1 | 177.8 | 177.8 |
| 10” x 10” | 250 x 250 | 273 x 273 | 273.1 | 273.0 | 215.9 | 215.9 |
| 12” x 12” | 300 x 300 | 325 x 325 | 323.8 | 323.8 | 254.0 | 254.0 |


4. Các loại tê inox SUS304 phổ biến
-
Tê đều inox SUS304: 3 nhánh có cùng đường kính
-
Tê thu inox SUS304: 1 hoặc 2 nhánh có kích thước nhỏ hơn
-
Tê hàn, tê ren: Phù hợp từng kiểu kết nối ống
5. Ứng dụng thực tế
Tê inox SUS304 được sử dụng rộng rãi trong:
-
Hệ thống ống dẫn nước sạch, nước thải
-
Nhà máy thực phẩm – đồ uống, hóa chất, xử lý nước
-
Hệ thống PCCC, HVAC, công trình dân dụng và công nghiệp
6. Mua tê inox SUS304 chất lượng ở đâu?
UNICO chuyên cung cấp tê inox SUS304 chính hãng, đầy đủ chứng chỉ CO, CQ, giá cạnh tranh, hàng luôn sẵn kho. Đội ngũ kỹ thuật tư vấn tận tình – giao hàng toàn quốc.
Phong cách kinh doanh
- Unico Steel luôn lấy sự hài lòng của khách hàng là mục tiêu phát triển, luôn lắng nghe sự góp ý của quý khách, tôn trọng và sẵn sàng hợp tác với quý khách để cùng nhau phát triển.
- Chúng tôi có đội ngũ nhân viên luôn nhiệt tình, trung thực báo đúng giá và nguồn gốc sản phẩm.
- Giá cả cạnh tranh, giao hàng nhanh chóng, đúng tiến độ công trình.
- Luôn lắng nghe và luôn thấu hiểu làm hài lòng khách hàng.
Unico Steel chúng tôi chân thành cảm ơn quý khách đã tin tưởng và mua hàng của công ty trong thời gian vừa qua, công ty xin hứa sẽ luôn hoàn thiện hơn nữa để không làm phụ lòng tin của quý khách. Xin chúc quý khách và các đối tác sức khỏe, thịnh chữ nhật, thành công.




Bình luận